
Danasîna Hilbera Berfireh
| Berjewendî: | Leza Bilind | Leza nîşankirinê: | 60-200pcs / min |
|---|---|---|---|
| Karî: | Nîşankirina Sticker Ahesive | Mal: | Tev stîl |
| Tîpa tleûşeyê: | Jar Labeler tleûşeya Rounda Otomatîk | Bikaranînî: | Ji bo Hemî Cûreyên Konteynirê Round |
| Marka Plc: | MITSUBISHI (Japan | Motora Nîşankirina Servo: | DELTA (Taywan |
makîneya nîşankirina şeraba sor makîneya nîşankirina şûşeya şerabê ya şerab, pergala kontrolê ya PLC makîneya nîşankirina marqeya MITSUBISHI
Taybetmendî:
1. Operasyon: Pergala kontrola PLC makîneya nîşankirinê hêsan dike ku bixebite
2. Materyal: Bedena sereke ya makîneya nîşankirinê ji polayê zengarnegir SUS304 hatiye çêkirin
3. Veavakirina: Makîneyên me yên nîşankirinê parçeyên marqeyên Japonî, Almanî, Amerîkî, Koreyî an Taywanî yên naskirî qebûl dikin
4. Nermbûnî: Kiriyar dikare hilbijêre ku printer û makîneya kodê zêde bike; dikare hilbijêre ji bo girêdana bi transporter an ne.
Parametreyên Teknîkî:
| Nav | Bottleûşeya şerabê ya dorpêçê ya ji bo kirasê leza bilind makîneya nîşankirina şûşeya dorpêçê kurt dibe |
| Leza nîşankirinê | 60-350pcs / min |
| Bilindahiya Tiştê | 30-350mm |
| Gûrbûna Tiştê | 20-120mm |
| Bilindahiya Labelê | 5-180mm |
| Dirêjahiya Labelê | 25-300mm |
| Label Roller Inside Diameter | 76mm |
| Label Roller Outside Diameter | 420mm |
| Rastiya Labelê | ± 1mm |
| Navê min | 220V 50 / 60HZ 3.5KW |
| Bikaranîna Gazê ya Çapxaneyê | 5Kg / m2 (eger makîneya kodkirinê zêde bike) |
| Mezinahiya Makîneya Nîşankirinê | 2800 (L) × 1650 (W) × 1500 (H) mm |
| Giraniya Makîna Nîşankirinê | 180 kg |
Veavakirina
| Na. | Par | şanika şewatê | jimarî |
| 1 | PLC | MITSUBISHI (Japonya) | 1 |
| 2 | Veguherînerê sereke | DANFOSS (Danmark) | 1 |
| 4 | HMI | WEINVIEW (Taywan) | 1 |
| 5 | Motora nîşankirina Servo | DELTA (Taywan) | 1 |
| 6 | Servo labelê şofêrê motorê | DELTA (Taywan) | 1 |
| 7 | Motor veguhastin | HY (Taywan) | 1 |
| 8 | Gearboxa motora veguhastinê | HY (Taywan) | 1 |
| 9 | Motora şûşeyê dabeş kirin | GPG (Taywan) | 1 |
| 10 | Dabeşkirina gearboxa motora şûşeyê | GPG (Taywan) | 1 |
| 11 | Botûşeyek ku parêzgerê leza motorê vediqetîne | GPG (Taywan) | 1 |
| 12 | Motora axaftinê | GPG (Taywan) | 1 |
| 13 | Gotûbêja motora motorê | GPG (Taywan) | 1 |
| 14 | obje çavê efsûnî tesbît dike | OMRON (Japonya) | 1 |
| 15 | fiber optîk | OMRON (Japonya) | 1 |
Agahdariya makîneyê:

32 parçeyên makîneya nîşankirina sereke

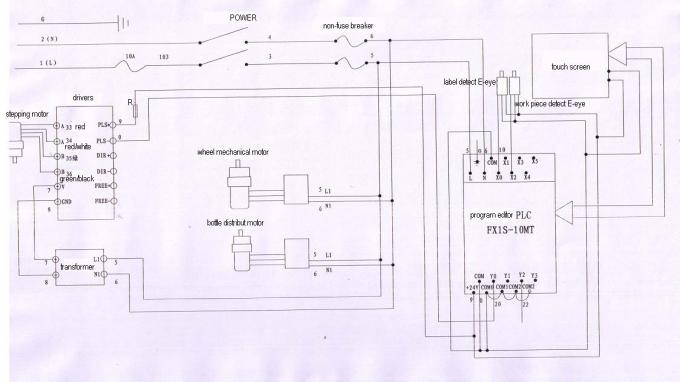
Diagram şemitok

FAQ:
1.label dibe kulîlk
Sedem:
① peel off board ne baş e / ne xanî;
Board borda plowê ne baş e / ne xanî ye;
Output derketina etîketkirinê pir zû ye an leza xeta civînê pir kêm e;
④ label pir xilas kirin
Çareserî:
① pelek zirav ji ser panelê biguherînin;
② desteyek pêlê daîmî biguherînin;
Speed leza hilberîna nîşankirinê hêdî bikin an jî leza rêzika civînê zêde bikin;
The rastê bandorê li kembera labelê bikin.
Tag: makîneya nîşankirina pîşesaziyê, makîneya nîşankirina şûşeya cam









